用于出口的新系列窄轨电传动内燃机车探讨.docx
快乐****蜜蜂
在线预览结束,喜欢就下载吧,查找使用更方便
相关资料
一种窄轨液力传动内燃机车的油冷系统.pdf
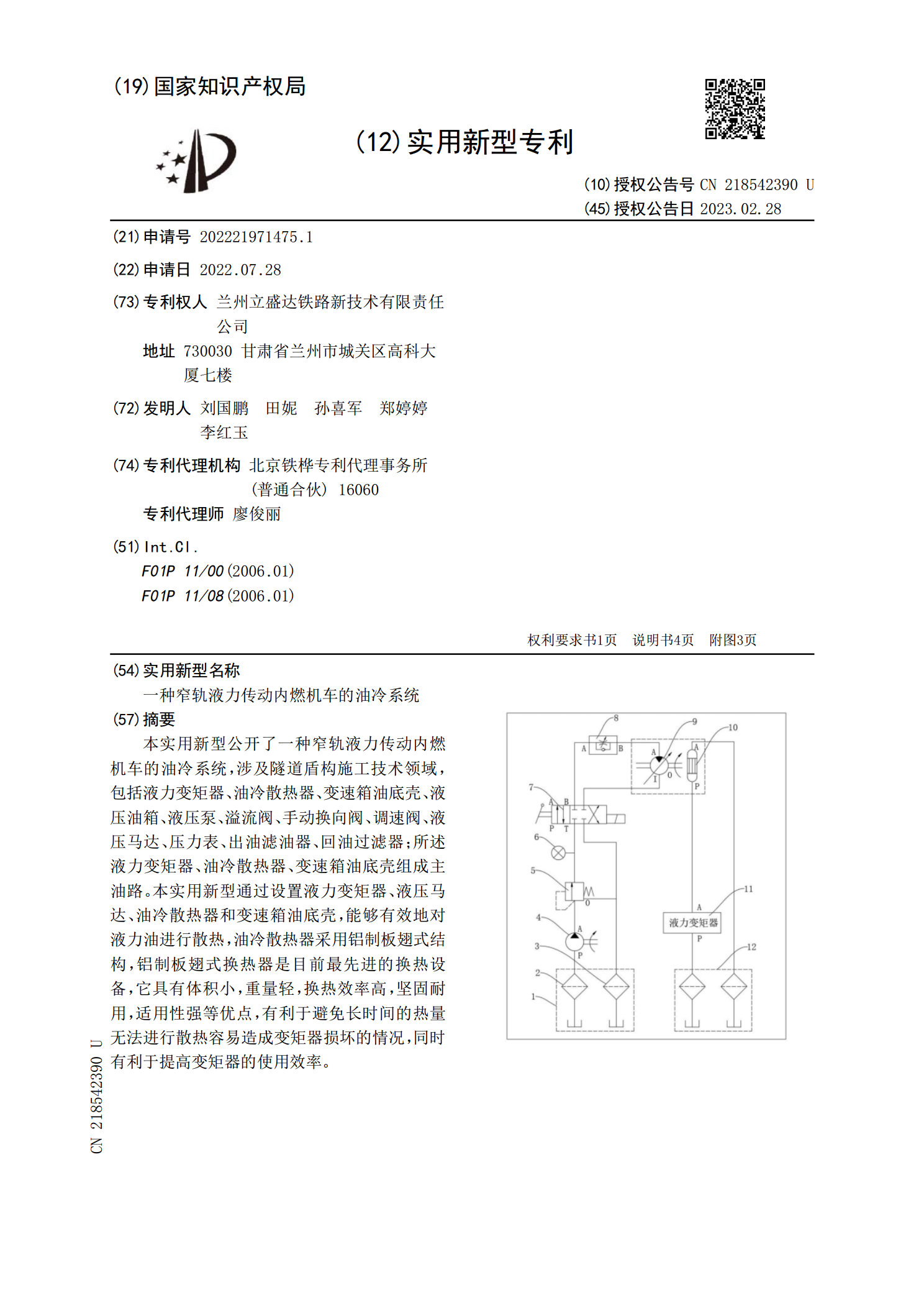
本实用新型公开了一种窄轨液力传动内燃机车的油冷系统,涉及隧道盾构施工技术领域,包括液力变矩器、油冷散热器、变速箱油底壳、液压油箱、液压泵、溢流阀、手动换向阀、调速阀、液压马达、压力表、出油滤油器、回油过滤器;所述液力变矩器、油冷散热器、变速箱油底壳组成主油路。本实用新型通过设置液力变矩器、液压马达、油冷散热器和变速箱油底壳,能够有效地对液力油进行散热,油冷散热器采用铝制板翅式结构,铝制板翅式换热器是目前最先进的换热设备,它具有体积小,重量轻,换热效率高,坚固耐用,适用性强等优点,有利于避免长时间的热量无法
隧道用低排放窄轨内燃机车.pdf
本发明涉及一种隧道用低排放窄轨内燃机车,包括司机室、燃油系统、空气系统、液力变速箱、万向轴、车轴齿轮箱及轮对和柴油机,所述司机室内设有操纵台和座椅,在所述司机室的前方还设有警示灯和喇叭,所述柴油机与所述车轴齿轮箱及轮对连接,所述车轮齿轮及轮对与万向轴连接,所述万向轴与机车的驱动轮相连,还包括设置于尾气管处的贵金属净化器。本发明的有益效果为:整体车架采用模块化设计,结构合理,安全可靠,便于安装与拆卸,液力变速箱的功率传递更加平稳,应用更安全,贵金属尾气净化器有效降低排放污染物中的一氧化碳、碳氢化合物以及炭烟
大功率交流传动窄轨内燃机车用异步牵引电动机.pdf
本发明涉及异步牵引电动机,具体为大功率交流传动窄轨内燃机车用异步牵引电动机,解决现有电机功率、额定转矩及功率密度不足的问题,方案:线圈引线头成型连线,经铜排引入接线盒;铁心槽内插导条,与端环焊接一体鼠笼,端环外有护环;端盖上固定有内封环、轴承盖、外轴承盖,端盖和外轴承盖上开通大气孔;转轴套轴套与内封环形成迷宫密封,通过内锥轴安有主动齿轮,外封环与轴承盖、外轴承盖形成迷宫密封;转轴非传动端安有测速齿盘与轴承盖形成迷宫密封;非传动端外盖上有速度传感器;转子铁心轴向开有通风孔。优点:1、功率、额定转矩、功率密度
窄轨线路平移转角计算探讨.docx
窄轨线路平移转角计算探讨标题:窄轨线路平移转角计算探讨摘要:本论文旨在探讨窄轨线路平移转角计算的方法及其在轨道工程中的应用。首先,论文介绍了窄轨线路的特点和应用领域。然后,系统分析了不同类型转角的定义及其计算方法。接着,探讨了窄轨线路平移转角计算的几种常用方法,并对其适用范围和精度进行评价。最后,通过实例分析了不同计算方法的应用实践,并对未来研究方向进行了展望。关键词:窄轨线路、平移转角、计算方法、应用实践、研究方向1.引言窄轨线路是一种铁路线路标准,轨距较宽轨的标准轨距要窄。窄轨线路具有轻型、经济、适应
改造窄轨蒸汽机车的探讨.docx
改造窄轨蒸汽机车的探讨改造窄轨蒸汽机车的探讨摘要:窄轨蒸汽机车在过去被广泛应用于短途运输和农村地区。然而,随着现代化和技术的进步,这类机车逐渐退出了舞台。本文旨在探讨改造窄轨蒸汽机车的可行性,以及其在现代交通领域中的潜在应用价值。关键词:窄轨蒸汽机车,改造,可行性,应用价值1.引言窄轨蒸汽机车是指轨距小于标准轨距的蒸汽机车。在过去,窄轨蒸汽机车在农业、短途运输以及偏远地区的铁路系统中占有重要地位。然而,随着现代交通技术的发展,窄轨蒸汽机车逐渐被更高效、更环保的交通工具所取代。然而,废弃窄轨蒸汽机车不仅对环