预览加载中,请您耐心等待几秒...
1/10
2/10
3/10
4/10
5/10
6/10
7/10
8/10
9/10
10/10

亲,该文档总共45页,到这已经超出免费预览范围,如果喜欢就直接下载吧~

如果您无法下载资料,请参考说明:

1、部分资料下载需要金币,请确保您的账户上有足够的金币

2、已购买过的文档,再次下载不重复扣费

3、资料包下载后请先用软件解压,在使用对应软件打开

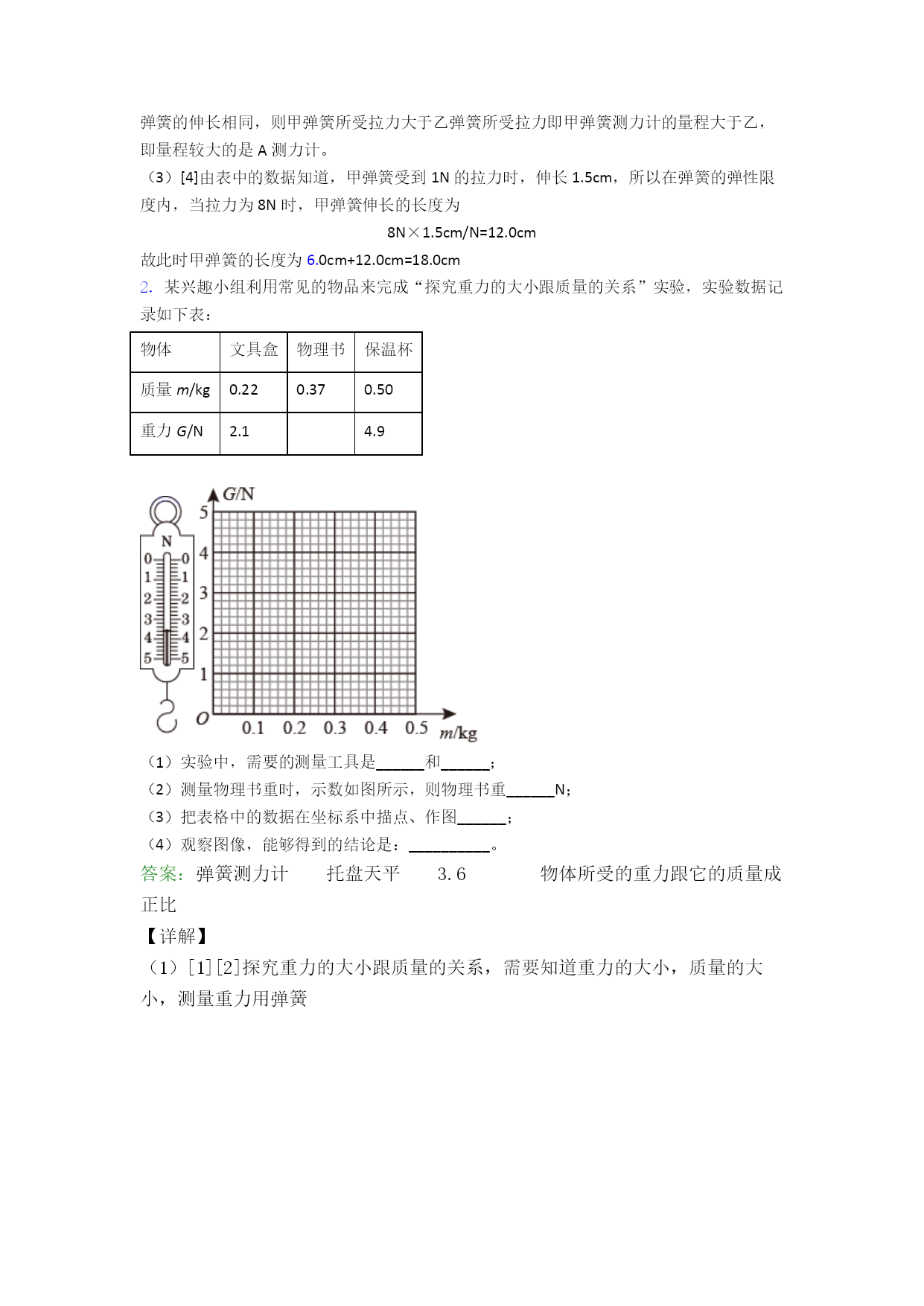
人教版部编版八年级下册物理实验题试卷达标检测(Word版含解析)1.为制作弹簧测力计,某物理实验小组对弹簧的伸长与拉力的关系作了探究。下表是他们利用甲、乙两根不同的弹簧做实验时所记录的数据。弹簧受到的拉力/N0123456甲弹簧的长度/cm6.07.59.010.512.013.515.0乙弹簧的长度/cm6.09.012.015.018.021.024.0(1)分析表中数据可得:①在一定条件下,弹簧的伸长与所受的拉力成________比。②在拉力相同的情况下,甲弹簧的伸长比乙弹簧________(填“大”或“小”)。(2)如图的A、B两弹簧测力计分别使用了甲、乙两弹簧,它们的外壳相同,刻度线分布情况相同。则量程较大的是________测力计;(填“A”或“B”)(3)根据表中数据计算,在弹簧的弹性限度内,当拉力为8N时,甲弹簧的长度为________cm。答案:正小A18.0【详解】(1)①[1]分析表格数据知道,无论是甲弹簧还是乙弹簧,弹簧受到的拉力越大,弹簧伸长的长度越长,且弹簧伸长的长度与弹簧受到的拉力之比是定值(解析:正小A18.0【详解】(1)①[1]分析表格数据知道,无论是甲弹簧还是乙弹簧,弹簧受到的拉力越大,弹簧伸长的长度越长,且弹簧伸长的长度与弹簧受到的拉力之比是定值(甲弹簧的比值为1.5cm/N,乙弹簧的比值为3cm/N),即在一定条件下,弹簧伸长的长度与它所受的拉力成正比。②[2]计算出甲乙弹簧在拉力相同时伸长的长度,会发现甲弹簧伸长的长度总小于乙弹簧伸长的长度。(2)[3]分析表格数据知道,甲乙弹簧在拉力相同时甲弹簧伸长的长度小于乙弹簧伸长的长度,即在弹簧的伸长相同时,甲弹簧所受拉力大于乙弹簧所受拉力,根据题意知道,A、B两弹簧测力计分别使用了甲、乙两弹簧,它们的外壳相同,刻度线分布情况相同即两弹簧的伸长相同,则甲弹簧所受拉力大于乙弹簧所受拉力即甲弹簧测力计的量程大于乙,即量程较大的是A测力计。(3)[4]由表中的数据知道,甲弹簧受到1N的拉力时,伸长1.5cm,所以在弹簧的弹性限度内,当拉力为8N时,甲弹簧伸长的长度为8N×1.5cm/N=12.0cm故此时甲弹簧的长度为6.0cm+12.0cm=18.0cm2.某兴趣小组利用常见的物品来完成“探究重力的大小跟质量的关系”实验,实验数据记录如下表:物体文具盒物理书保温杯质量m/kg0.220.370.50重力G/N2.14.9(1)实验中,需要的测量工具是______和______;(2)测量物理书重时,示数如图所示,则物理书重______N;(3)把表格中的数据在坐标系中描点、作图______;(4)观察图像,能够得到的结论是:__________。答案:弹簧测力计托盘天平3.6物体所受的重力跟它的质量成正比【详解】(1)[1][2]探究重力的大小跟质量的关系,需要知道重力的大小,质量的大小,测量重力用弹簧解析:弹簧测力计托盘天平3.6物体所受的重力跟它的质量成正比【详解】(1)[1][2]探究重力的大小跟质量的关系,需要知道重力的大小,质量的大小,测量重力用弹簧测力计,测量质量用托盘天平,所以实验中,需要的测量工具是弹簧测力计和托盘天平。(2)[3]观察图中的弹簧测力计可知,量程是0~5N,分度值是0.2N,指针指在3刻度往下第三个刻度,它的读数是3.6N。(3)[4]从表格中的数据可以看到,文具盒质量是0.22kg,重力是2.1N,物理书质量是0.37kg,重力是3.6N,保温杯质量是0.50kg,重力是4.9N,把这三个数据在坐标系中描点、作图,可得到下图。(4)[5]观察图像,这是一条过原点的直线,物体的重力与质量的比值是一个固定值,可知物体所受的重力跟它的质量成正比。3.在探究“重力的大小跟质量的关系”的实验中,把钩码逐个挂在弹簧测力计上,分别测出它们受到的重力,并记录在下面的表格中质量m/g100200300400500重力G/N12345______(1)把表格中的划横线的空格填写完整;(2)测量物体重力前,应将弹簧测力计在______方向调零;测物体重力时,使测力计弹簧伸长的力是______(填字母)A.钩码的重力B.钩码和测力计的总重力C.钩码对弹簧的拉力D.弹簧对钩码的拉力(3)根据实验数据得出的结论是______;(4)若干年后,若小明在我国建成的月球上的基地站工作时,你认为他用同样的器材______(选填“能”或“不能”)完成该探究实验。答案:重力与质量的比值竖直物体所受重力与质量成正比能【详解】(1)[1]探究“重力的大小跟质量的关系”,除了要测量物体的质量和重力外,还需要计算重力与质量的比值解析:重力与质量的比值竖直物体所受重力与质量成正比能【详解】(1)[1]探究“重力的大小跟质量的关系”,除了要测量物体的质量和重力外,