预览加载中,请您耐心等待几秒...
1/10
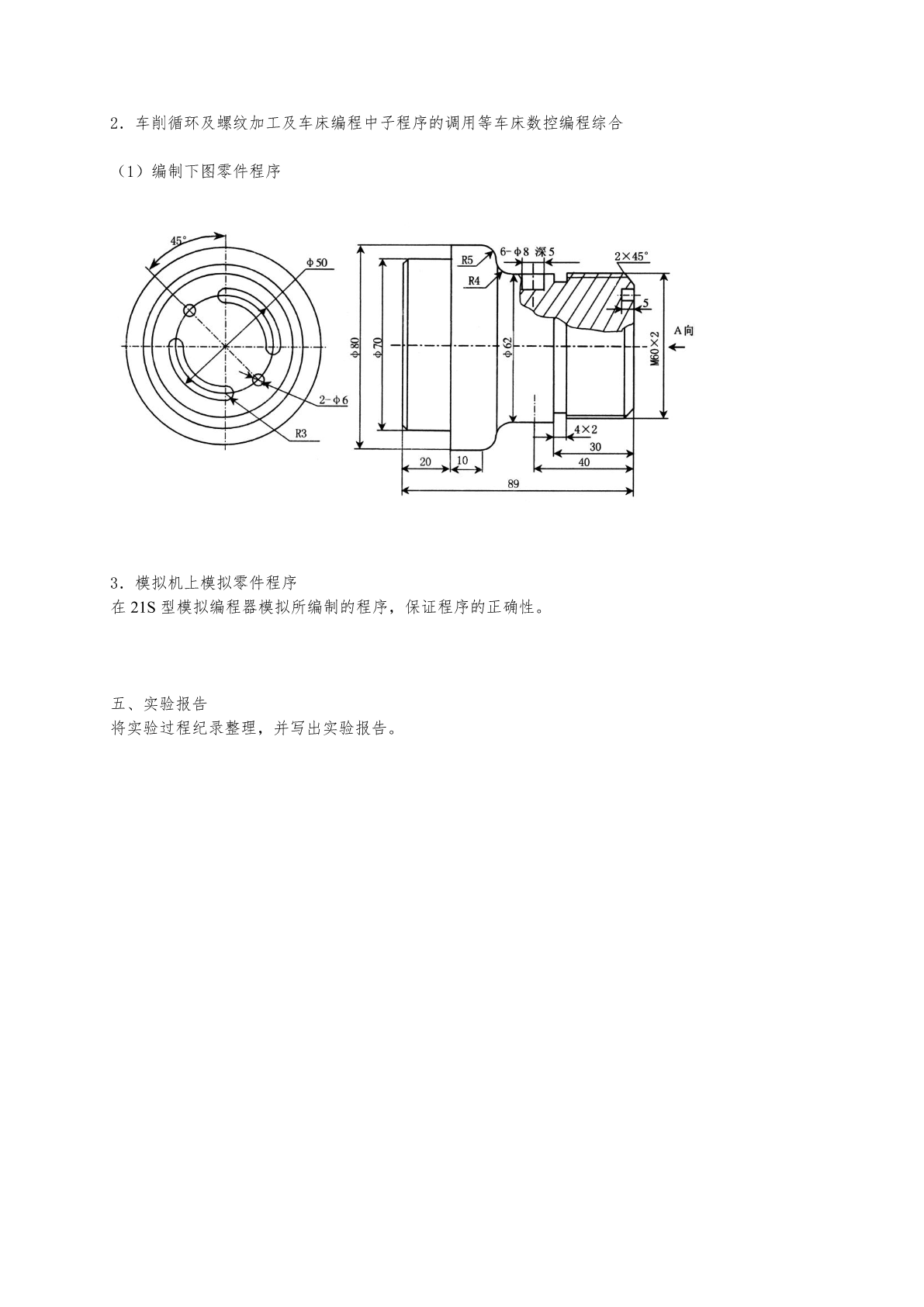
2/10
3/10
4/10
5/10
6/10
7/10
8/10
9/10
10/10

亲,该文档总共12页,到这已经超出免费预览范围,如果喜欢就直接下载吧~

如果您无法下载资料,请参考说明:

1、部分资料下载需要金币,请确保您的账户上有足够的金币

2、已购买过的文档,再次下载不重复扣费

3、资料包下载后请先用软件解压,在使用对应软件打开

数控技术及机床实验报告 数控技术及数控机床综合实验共编入了零件数控加工的工艺分析、加工程序的编制及动态模拟实 验、数控机床实验等内容。在内容上力求做到理论与实际相结合,先进性、科学性和实用性相结合。在 具体内容的安排上,充分注意到每个实验的层次和内容,力求形成一个完整的实验体系,使培养出的学 生成为既具有一定的数控基础知识,又能掌握比较系统的专业技术理论,既得到较全面的技能训练,又 掌握科学的实验研究方法的实用性、高层次、高技术水平的人才。同时也为今后进行各种数控机床的应 用奠定一定的基础。 数控技术及数控机床综合实验共设置以下5个实验: 实验一数控机床组成及结构现场教学 实验二数控车床基本操作现场教学 实验三数控车床编程 实验四数控铣床基本操作现场教学 实验五数控铣床编程 一、实验目的 1.了解数控机床的组成及主要结构及功能。 2.掌握数控程序编制的内容和步骤。 3.掌握数控车床铣床零件加工程序的编制方法。 4.掌握程序编制中的工艺处理方法。 5.掌握加工中工艺装备的选择及使用。 6.掌握21S数控车、铣床编程及动态模拟软件的使用。 二、实验内容 1.对零件进行工艺分析。 2.编制零件加工程序。 3.使用编程器进行动态模拟。 4.简单零件的加工。 三、实验设备 1.四台CK6136数控车床 2.四台XK6325型数控铣床 3.一台加工中心 4.21S型模拟编程器相关软件。 5.有关操作工具及试件。 四、实验步骤 (一)零件的工艺分析 无论是手工编程还是自动编程,在编程前都要对所加工的零件进行工艺分析,拟定加工方案,选 择合适的刀具,确定切削用量。在编程中,对一些工艺问题(如对刀点、加工路线等)也需做一些处理。 因此程序编制中的零件的工艺分析是一项十分重要的工作。 1.数控加工工艺的基本特点 数控机床加工工艺与普通机床加工工艺在原则上基本相同,但数控加工的整个过程是自动进行的, 因而又有其特点。 1)数控加工的工序内容比普通机床的加工的工序内容复杂。这是因为数控机床价格昂贵,若只加工简 单的工序,在经济上不合算,所以在数控机床上通常安排较复杂的工序,甚至是在通用机床上难以完成 的那些工序。 2)数控机床加工程序的编制比普通机床工艺规程编制复杂。这是因为在普通机床的加工工艺中不必考 虑的问题,如工序内工步的安排、对刀点、换刀点及走刀路线的确定等问题,在数控加工时,这一切都 无例外地都变成了固定的程序内容,正由于这个特点,促使对加工程序的正确性和合理性要求极高,不 能有丝毫的差错,否则加工不出合格的零件。 2.数控加工工艺的主要内容 根据数控加工的实践,数控加工工艺主要包括以下方面: 1)选择适合在数控机床上加工的零件和确定工序内容; 2)零件图纸的数控工艺性分析; 制订数控工艺路线,如工序划分、加工顺序的安排、基准选择、与非数控加工工艺的衔接等; 3)数控工序的设计,如工步、刀具选择、夹具定位与安装、走刀路线确定、测量、切削用量的确定等; 调整数控加工工艺程序,如对刀、刀具补偿等; 4)分配数控加工中的容差; 处理数控机床上部分工艺指令。 (二)数控加工工艺分析的一般步骤与方法 程序编制前对零件进行工艺分析时,要有机床说明书、编程手册、切削用量表、标准工具、夹具 手册等资料,方能进行如下一些问题的研究。 1.数控加工零件的合理选择 在数控机床上加工零件时,一般有两种情况。第一种情况:有零件图样和毛坯,要选择适合加工 该零件的数控机床。第二种情况:已经有了数控机床,要选择适合在该机床上加工的零件。无论哪种情 况,考虑的主要因素主要有,毛坯的材料和类型、零件轮廓形状复杂程度、尺寸大小、加工精度、零件 数量、热处理要求等。概括起来有三点,即零件技术要求能否保证,对提高生产率是否有利,经济上虽 否合算。 根据国内外数控技术应用实践,数控机床通常最适合加工具有以下特点的零件: 1)多品种、小批量生产的零件或新产品试制中的零件; 2)轮廓形状复杂,对加工精度要求较高的零件; 3)用普通机床加工时,需要有昂贵的工艺装备(工具、夹具和模具)的零件; 4)需要多次改型的零件; 5)价值昂贵,加工中不允许报废的关键零件; 6)需要最短生产周期的急零件。 数控加工工艺性分析涉及面很广,在此仅从数控加工的可能性和方便性两方面加以分析。 2.零件图样上尺寸数据的给出应符合编程方便的原则; 1)零件图样上尺寸标注方法应适应数控加工的特点,在数控加工零件图上,应以同一基准引注尺寸 直接给出坐标尺寸。 2)构成零件轮廓的几何元素的条件应充分 在手工编程时,要计算每个节点坐标。在自动编程时,要对构成零件轮廓的所有几何元素进行定义。 因此在分析零件图时,要分析几何元素的给定条件是否充分。如果构成零件几何元素条件不充分,编程 时则无法下手。 (1)零件